Stop searching, install MROSupply Smart Check and see our price instantly wherever you browse.

Download Now

Add products to your shopping cart
Know When You’re Overpaying
The MROSupply Chrome Extension instantly alerts you when the part you're viewing is available for less at MROSupply.
Download Now
We never track your browsing or search history
We never sell your data to third parties
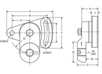
30-IDLR-BUSH(SF)

Image for Illustration purposes only. Actual product may vary

Gates 77201130 30-IDLR-BUSH(SF) Idler Bushings
  • Style: QD
  • Size: SF
  • Thread Size: 1-14
  • Bearing No.: 6204
  • Material ID: 77201130

Your belt systems demand high power rotational or linear movement, without any added friction or handling stress. Thats where Gates bushings come in, bringing speed, efficiency, and reliability to your industrial, commercial or automotive belt drive applications. Choose from hundreds of precision manufactured bushings, or get in touch with a Gates engineer to create your Made-to-Order Metals customized bushing for your specific application.

MODEL 30-IDLR-BUSH(SF)

BRAND

SKU

172887

WEIGHT

8.600 lb

UOM

each

UPC

72053190229

Contact supplier for technical support on: 303-744-5800

$252.59 Each

Prices are subject to change

FREE SHIPPING ON ORDERS OVER $100

Select Quantity

GET A QUOTE

Typically Ships in: 1 day

Returnable: See conditions

Bearing Type

Ball

Bolt Circle Diameter

3-7/8 in

Bore Diameter

1 in

Bore or Bushing

SF

Bushing Style

Quick Disconnect™

D (in)

3.13

Flange Diameter

4.62 in

Flange Thickness

5/8 in

Hub Diameter

3.12 in

Key Included

NO

Keyway

Standard

L (in)

2.08

M (in)

2.13

Number of Bolt Holes

6

Screw Size

3/8-16 x 2 in

Thread

1-14

Idlers are used to take-up extra belt length and provide adjustment for tensioning belt drives. Idler pulleys and sprockets can alter belt paths and clear obstructions.

  • Idler assembly may consist of: idler sprocket and bracket, flat idler and bracket, standard sheave or sprocket used with an idler bearing and idler bracket.
  • Idler sprockets, flat idlers and idler bushings contain sealed ball bearings and an integral shaft for mounting to adjustable idler brackets.
  • Lubrication and maintenance are not required.

SKU: 172159

Thank you!

First time customer and I will return! I will tell all of our associates what excellent service we received! You saved us from an ugly situation. With a hefty order needing to go out and the belt broke on our Seiki mill. I called on Friday. I wasn't even expecting shipment until the following Monday or Tuesday but we received our belt the very next day!! The price was fantastic, not to mention FREE shipping!!! I want to thank everyone from the sales agent to the packing and shipping department. Seriously....this was the best service we've received in ages! The "Keiths" Little Cake Machine Shop Edmonton, KY

Read more

SKU: 179389

Gates b-55 belt

We use these belts on wastewater lagoon aerators which run 24/7. Great price for a high quality belt and receive them within a few days of ordering!

Read more

SKU: 1248999

Belt 5vx940

Excellent Speedy Service. TLC Will continue doing business with MRO.

Read more

SKU: 177444

Mechanic

Cut the bell when you said I would get a chance to install it seems to fit I still need to test drive

Read more
Recently Viewed
$131.45 Each
Free Shipping orders over $100
#6078235
$161.58 Each
Free Shipping orders over $100
#824364
US Tsubaki q1-1d Q1-1 1/4 SPLIT TAPER
Brand U.S.Tsubaki
Model q1-1d
$47.39 Each
Free shipping
$5.23 Each
Free shipping
#6040292
$182.13 Each
$82.52 Each
Free shipping
#5907634
Peer POBS5018
Brand PEER Bearing
Model POBS5018
$57.58 Each
Free shipping
Reviews

SKU: 172159

Thank you!

First time customer and I will return! I will tell all of our associates what excellent service we received! You saved us from an ugly situation. With a hefty order needing to go out and the belt broke on our Seiki mill. I called on Friday. I wasn't even expecting shipment until the following Monday or Tuesday but we received our belt the very next day!! The price was fantastic, not to mention FREE shipping!!! I want to thank everyone from the sales agent to the packing and shipping department. Seriously....this was the best service we've received in ages! The "Keiths" Little Cake Machine Shop Edmonton, KY

Read more

SKU: 179389

Gates b-55 belt

We use these belts on wastewater lagoon aerators which run 24/7. Great price for a high quality belt and receive them within a few days of ordering!

Read more

SKU: 1248999

Belt 5vx940

Excellent Speedy Service. TLC Will continue doing business with MRO.

Read more

SKU: 177444

Mechanic

Cut the bell when you said I would get a chance to install it seems to fit I still need to test drive

Read more

Return policy

In order to be eligible for a return, product to be returned must be at least $150 US. Items must be unused and unmounted, in resalable condition. Return authorization must be requested, no credit or exchanges will be granted if items are shipped back without return authorization or if items are not in resalable condition. Re-stocking fee is $60 US flat, cannot be voided if placing an off-setting order.  Made To Order items are Non-Returnable and Non-Cancellable.